202M-3/4K-3/4

Könyökidom - KB

Egyedi igények rögzítésére a rendelésösszesítő felületen van lehetőség

202M-3/4K-3/4
Könyökidom - KB
Kérjük regisztráljon a 3D modellek és termék adatlapok letöltéséhez.
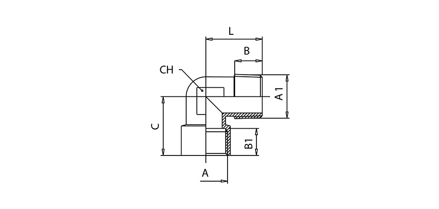
Típusszám Csatlakozás A1 Csatlakozás A B B1 C L CH
202M-1/8K-1/8 R 1/8" G 1/8" 7,5 8,5 21 18 11
202M-1/4K-1/4 R 1/4" G 1/4" 11 11 25,5 24 13
202M-3/8K-3/8 R 3/8" G 3/8" 11,5 12 28 27 17
202M-1/2K-1/2 R 1/2" G 1/2" 14 15 32 29,5 20
202M-3/4K-3/4 R 3/4" G 3/4" 14,5 16,5 36,5 32 27
202M-1K-1 R 1" G 1" 16 19 45 39 30
Anyag: nikkelezett réz
Csatlakozás: R 3/4"
Csatlakozás | Csőméret: G 3/4"
Hőmérséklet tartomány: -40°C…+120°C
Kivitel: menetes
Közeg: sűrített levegő
Névleges nyomás: 0…50 bar
Tömítés anyaga: tömítés nélkül
Üzemi nyomás: 0…50 bar
Új jelszó kérése
Tisztelt Partnerünk!

Üdvözöljük a megújult webáruházunkban, mely számos új funkcióval és új külsővel várja vissza vásárlóinkat, melynek köszönhetően a vásárlás gyorsabb és könnyebb lesz!

Ezúton szeretnénk felhívni regisztrált partnereink figyelmét egy új jelszó igénylésére!

Az igényléshez mindössze csak a korábbi e-mail címet kell megadni, majd a postafiókjában lévő „Jelszó visszaállítás” levél segítségével egy új jelszót szükséges létrehozni.
Loading…
Loading the web debug toolbar…
Attempt #